产品中心
GBT 3036-CS船用中央蝶阀基本参数:
| Nominal pressure PN/MPa | Maximum working pressure /MPa | Valve body material code | Nominal diameter DN/mm | Note 1: When the valve seat ring material is NBR, the butterfly valve is suitable for seawater, fresh water, air, crude oil, heavy oil and other media with t ≤70℃. | Note 2: When the valve seat ring material is FPM, the butterfly valve is suitable for seawater, fresh water, air, crude oil, heavy oil lubricating oil, refined oil and other media with t<170℃. | |||||||||||
| 10 | 1.0 | G、T、QT、W | 50~200 | |||||||||||||
| 50~500 | ||||||||||||||||
| 6、10 | 0.6、1.0 | 50~200 | ||||||||||||||
| 50~700 | ||||||||||||||||
| 50~1000 | ||||||||||||||||
| G、QT、W | 50~800 | |||||||||||||||
| G、T、QT、W | ||||||||||||||||
| G、QT、W | ||||||||||||||||
| G、T、QT、W | ||||||||||||||||
| G、QT、W | ||||||||||||||||
| 5K | 0.5 | G、T、QT、W | 50~200 | |||||||||||||
| 10K | 1.0 | |||||||||||||||
| 5K | 0.5 | 50~700 | ||||||||||||||
| 10K | 1.0 | |||||||||||||||
| 5K | 0.5 | G、QT、W | 125~700 | |||||||||||||
| 10K | 1.0 | |||||||||||||||
| 5K | 0.5 | G、T、QT、W | 50~800 | |||||||||||||
| 10K | 1.0 | |||||||||||||||
| 5K | 0.5 | G、QT、W | 125~800 | |||||||||||||
| 10K | 1.0 | |||||||||||||||
| 5K | 0.5 | G、T、QT、W | 50~800 | |||||||||||||
| 10K | 1.0 | |||||||||||||||
| 5K | 0.5 | G、QT、W | 125~800 | |||||||||||||
| 10K | 1.0 | |||||||||||||||
| 5K | 0.5 | G、T、QT、W | 50~800 | |||||||||||||
| 10K | 1.0 | |||||||||||||||
| 5K | 0.5 | G、QT、W | 125~800 | |||||||||||||
| 10K | 1.0 | |||||||||||||||
主要零件材质:
| Part Name | Material | |||||||||||||||||||||
| code name | name | Trademark | standard encdoing | |||||||||||||||||||
| valve body | G | cast steel | ZG230-450C | GB/T 4299-2013 | ||||||||||||||||||
| T | grey cast iron | HT250 | GB/T 9439-2010 | |||||||||||||||||||
| QT | Ductile Iron | QT400-15 | GB/T 1348-2009 | |||||||||||||||||||
| W | Cast copper alloy | ZCuSn10Zn2 | GB/T 1176-2013 | |||||||||||||||||||
| valve disc | - | cast stainless steel | ZG07Cr19Ni9 | GB/T 2100-2002 | ||||||||||||||||||
| - | cast stainless steel | CF8M | GB/T 12230-2005 | |||||||||||||||||||
| - | cast stainless steel | CF3M | ||||||||||||||||||||
| - | Cast copper alloy | ZCuAI9Mn2 | GB/T 1176-2013 | |||||||||||||||||||
| Stem | - | Stainless steel | 12Cr13 | GB/T 1220-2007 | ||||||||||||||||||
| Valve seat ring | N | Nitrile rubber | XA8433 | GB/T 2811-1996 | ||||||||||||||||||
| F | fluororubber | XD8423 | ||||||||||||||||||||
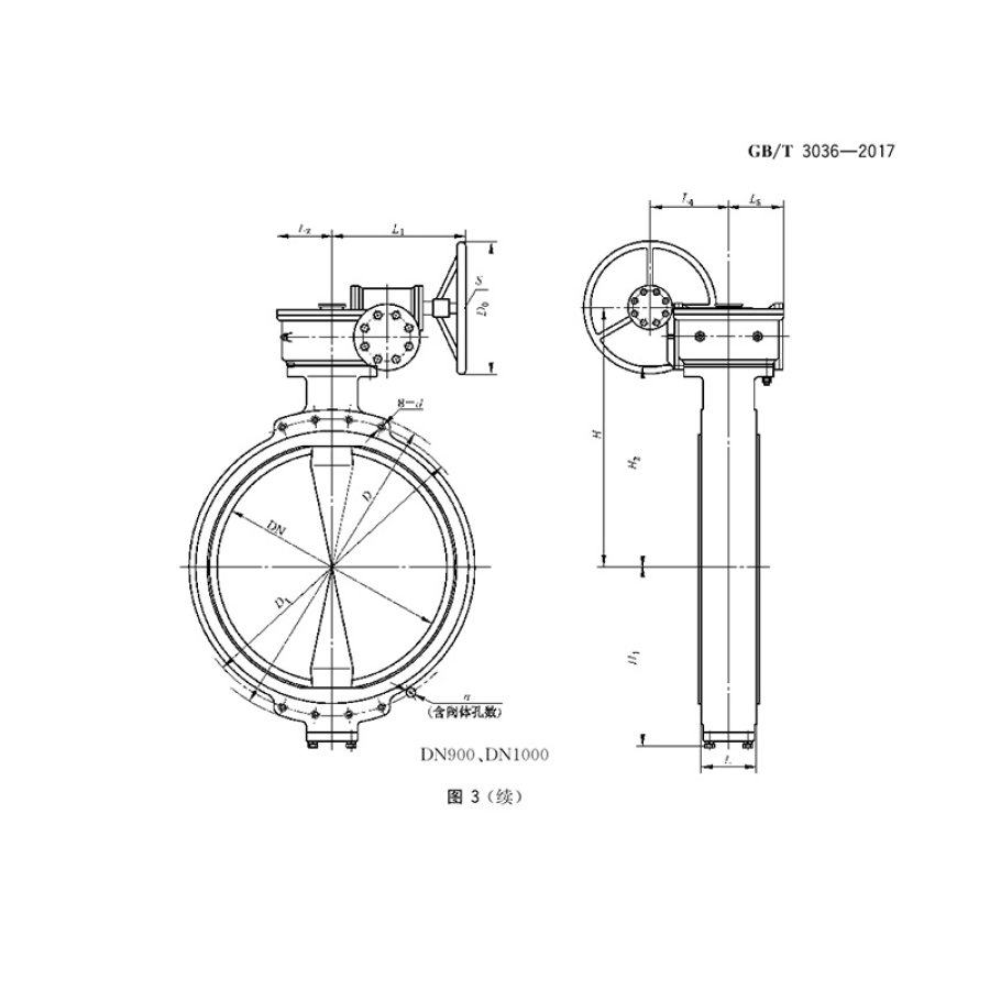
CS型蝶阀基本尺寸:
| Nominal pressure PN/ | Nominal diameter DN/ mm | Dimensions | Flange size | hand wheel | weight/kg | ||||||||||||||||||||
| ≈H | ≈H1 | H2 | L | L1 | L2 | L3 | L4 | L5 | D | D1 | n | d | D0 | S | T、QT | G | W | ||||||||
| 6 | 50 | 175 | 69 | 146 | 43 | 154 | 53 | 45 | 74 | 56 | 140 | 110 | 4 | 14 | 150 | 12 | 7.1 | 8.0 | 9.2 | ||||||
| 65 | 182 | 79 | 156 | 46 | 160 | 130 | 8.0 | 9.2 | 10.1 | ||||||||||||||||
| 80 | 192 | 89 | 166 | 190 | 150 | 18 | 8.2 | 9.5 | 10.5 | ||||||||||||||||
| 100 | 210 | 135 | 181 | 52 | 210 | 170 | M16 | 11.2 | 12.1 | 14.2 | |||||||||||||||
| 125 | 230 | 152 | 201 | 56 | 240 | 200 | 8 | 14.4 | 15.3 | 17.3 | |||||||||||||||
| 150 | 265 | 172 | 228 | 180 | 77 | 63 | 100 | 77 | 265 | 225 | 200 | 14 | 22.3 | 24.4 | 27.1 | ||||||||||
| 200 | 290 | 197 | 253 | 60 | 320 | 280 | 28.2 | 31.2 | 34.7 | ||||||||||||||||
| 250 | 330 | 233 | 291 | 68 | 220 | 81 | 78 | 107 | 82 | 375 | 335 | 12 | 250 | 17 | 41.4 | 45.1 | 51.2 | ||||||||
| 300 | 355 | 258 | 316 | 78 | 440 | 395 | M20 | 48.6 | 53.7 | 59.2 | |||||||||||||||
| 350 | 415 | 284 | 358 | 300 | 130 | 120 | 160 | 130 | 490 | 445 | 300 | 19 | 79.1 | 86.5 | 97.3 | ||||||||||
| 400 | 450 | 314 | 391 | 102 | 540 | 495 | 16 | 96.4 | 105.0 | 119.0 | |||||||||||||||
| 450 | 475 | 344 | 424 | 114 | 595 | 550 | 119.0 | 130.0 | 147.0 | ||||||||||||||||
| 500 | 560 | 382 | 475 | 127 | 350 | 138 | 175 | 138 | 645 | 600 | 20 | - | 157.0 | 173.0 | 194.0 | ||||||||||
| 600 | 630 | 444 | 545 | 154 | 755 | 705 | M24 | 245.0 | 267.0 | 302.5 | |||||||||||||||
| 700 | 708 | 501 | 608 | 165 | 390 | 154 | 154 | 182 | 150 | 860 | 810 | 24 | 500 | 367.0 | 403.0 | 453.0 | |||||||||
| 800 | 768 | 563 | 668 | 190 | 975 | 920 | M27 | 454.0 | 466.0 | 562.0 | |||||||||||||||
| 900 | 922 | 667 | 796 | 203 | 450 | 176 | - | 314 | 250 | 1075 | 1020 | 450 | 556.0 | 606.0 | 676.0 | ||||||||||
| 1000 | 1040 | 701 | 914 | 216 | 1175 | 1120 | 28 | 656.0 | 736.0 | 825.0 | |||||||||||||||
| 10 | 50 | 175 | 69 | 146 | 43 | 154 | 53 | 45 | 74 | 56 | 165 | 125 | 4 | 18 | 150 | 12 | 8.2 | 9.2 | 10.5 | ||||||
| 65 | 182 | 79 | 156 | 46 | 185 | 145 | 9.0 | 10.1 | 11.1 | ||||||||||||||||
| 80 | 192 | 89 | 166 | 200 | 160 | 9.2 | 10.1 | 11.5 | |||||||||||||||||
| 100 | 210 | 135 | 181 | 52 | 220 | 180 | M16 | 12.1 | 13.2 | 14.4 | |||||||||||||||
| 125 | 230 | 152 | 201 | 56 | 250 | 210 | 8 | 14.3 | 16.0 | 18.3 | |||||||||||||||
| 150 | 265 | 172 | 228 | 180 | 77 | 63 | 100 | 77 | 285 | 240 | M20 | 200 | 14 | 23.5 | 25.2 | 28.1 | |||||||||
| 200 | 290 | 197 | 253 | 60 | 340 | 295 | 29.3 | 32.1 | 36.2 | ||||||||||||||||
| 250 | 330 | 233 | 291 | 68 | 220 | 81 | 78 | 107 | 82 | 395 | 350 | 12 | 250 | 17 | 43.1 | 47.4 | 53.5 | ||||||||
| 300 | 355 | 258 | 316 | 78 | 445 | 400 | 50.5 | 55.2 | 62.3 | ||||||||||||||||
| 350 | 415 | 284 | 358 | 300 | 130 | 120 | 160 | 130 | 505 | 460 | 300 | 19 | 82.7 | 90.0 | 101.0 | ||||||||||
| 400 | 450 | 314 | 391 | 102 | 565 | 515 | 16 | M24 | 100.0 | 110.0 | 124.0 | ||||||||||||||
| 450 | 475 | 344 | 424 | 114 | 615 | 565 | 124.0 | 136.0 | 153.0 | ||||||||||||||||
| 500 | 560 | 382 | 475 | 127 | 350 | 138 | 175 | 138 | 670 | 620 | 20 | - | 164.0 | 180.0 | 202.0 | ||||||||||
| 600 | 630 | 444 | 545 | 154 | 780 | 725 | M27 | 255.0 | 280.0 | 315.0 | |||||||||||||||
| 700 | 708 | 501 | 608 | 165 | 390 | 154 | 154 | 182 | 150 | 895 | 840 | 24 | 500 | 382.0 | 420.0 | 472.0 | |||||||||
| 800 | 768 | 563 | 668 | 190 | 1015 | 950 | M30 | 473.0 | 520.0 | 585.0 | |||||||||||||||
| 900 | 922 | 667 | 796 | 203 | 450 | 176 | - | 314 | 250 | 1115 | 1050 | 28 | 450 | 570.0 | 630.0 | 745.0 | |||||||||
| 1000 | 1040 | 701 | 914 | 216 | 1230 | 1160 | M33 | 685.0 | 765.0 | 858.0 | |||||||||||||||
