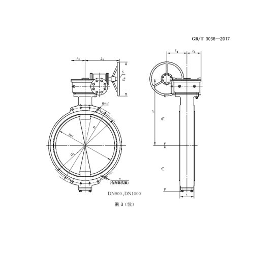
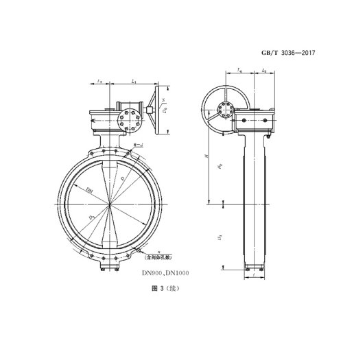
国标船用阀门

product-banner

rkfm6788@outlook

15588686571