产品中心
GB/T 3036-FFDJ型船用中心式蝶阀基本参数:
| Type | Nominal pressure PN/MPa | Maximum working pressure MPa | Valve body material code | Nominal diameter DN/mm | Note 1: When the valve seat ring material is NBR, the butterfly valve is suitable for seawater, fresh water, air, crude oil, heavy oil and other media with t ≤70℃. | Note 2: When the valve seat ring material is FPM, the butterfly valve is suitable for seawater, fresh water, air, crude oil, heavy oil lubricating oil, refined oil and other media with t<170℃. | |||||||||||
| A B | 10 | 1.0 | G、T、QT、W | 50~200 | |||||||||||||
| B | 50~500 | ||||||||||||||||
| C | |||||||||||||||||
| D | |||||||||||||||||
| E | |||||||||||||||||
| AS、FAS | 6、10 | 0.6、1.0 | 50~200 | ||||||||||||||
| BS、FBS、FFBS | 50~700 | ||||||||||||||||
| CS、FCS | 50~1000 | ||||||||||||||||
| FFCS | G、QT、W | 50~800 | |||||||||||||||
| DS、FDS | G、T、QT、W | ||||||||||||||||
| FFDS | G、QT、W | ||||||||||||||||
| ES、FES | G、T、QT、W | ||||||||||||||||
| FFES | G、QT、W | ||||||||||||||||
| AJ、FAJ | 5K | 0.5 | G、T、QT、W | 50~200 | |||||||||||||
| 10K | 1.0 | ||||||||||||||||
| BJ、FBJ | 5K | 0.5 | 50~700 | ||||||||||||||
| 10K | 1.0 | ||||||||||||||||
| FFBJ | 5K | 0.5 | G、QT、W | 125~700 | |||||||||||||
| 10K | 1.0 | ||||||||||||||||
| CJ、FCJ | 5K | 0.5 | G、T、QT、W | 50~800 | |||||||||||||
| 10K | 1.0 | ||||||||||||||||
| FFCJ | 5K | 0.5 | G、QT、W | 125~800 | |||||||||||||
| 10K | 1.0 | ||||||||||||||||
| DJ、FDJ | 5K | 0.5 | G、T、QT、W | 50~800 | |||||||||||||
| 10K | 1.0 | ||||||||||||||||
| FFDJ | 5K | 0.5 | G、QT、W | 125~800 | |||||||||||||
| 10K | 1.0 | ||||||||||||||||
| EJ、FEJ | 5K | 0.5 | G、T、QT、W | 50~800 | |||||||||||||
| 10K | 1.0 | ||||||||||||||||
| FFEJ | 5K | 0.5 | G、QT、W | 125~800 | |||||||||||||
| 10K | 1.0 | ||||||||||||||||
主要零部件材质
| Part Name | Material | ||||||||||||||||||
| Code | name | Brand | standard encdoing | ||||||||||||||||
| Valve body | G | Cast Steel | ZG230-450C | GB/T 4299-2013 | |||||||||||||||
| T | grey cast iron | HT250 | GB/T 9439-2010 | ||||||||||||||||
| QT | Ductile Iron | QT400-15 | GB/T 1348-2009 | ||||||||||||||||
| W | Cast copper alloy | ZCuSn10Zn2 | GB/T 1176-2013 | ||||||||||||||||
| Valve disc | - | Cast stainless steel | ZG07Cr19Ni9 | GB/T 2100-2002 | |||||||||||||||
| - | Cast stainless steel | CF8M | GB/T 12230-2005 | ||||||||||||||||
| - | Cast stainless steel | CF3M | |||||||||||||||||
| - | Cast copper alloy | ZCuAI9Mn2 | GB/T 1176-2013 | ||||||||||||||||
| Valve stem | - | Stainless steel | 12Cr13 | GB/T 1220-2007 | |||||||||||||||
| Valve seat ring | N | Nitrile rubber | XA8433 | GB/T 2811-1996 | |||||||||||||||
| F | fluororubber | XD8423 | |||||||||||||||||
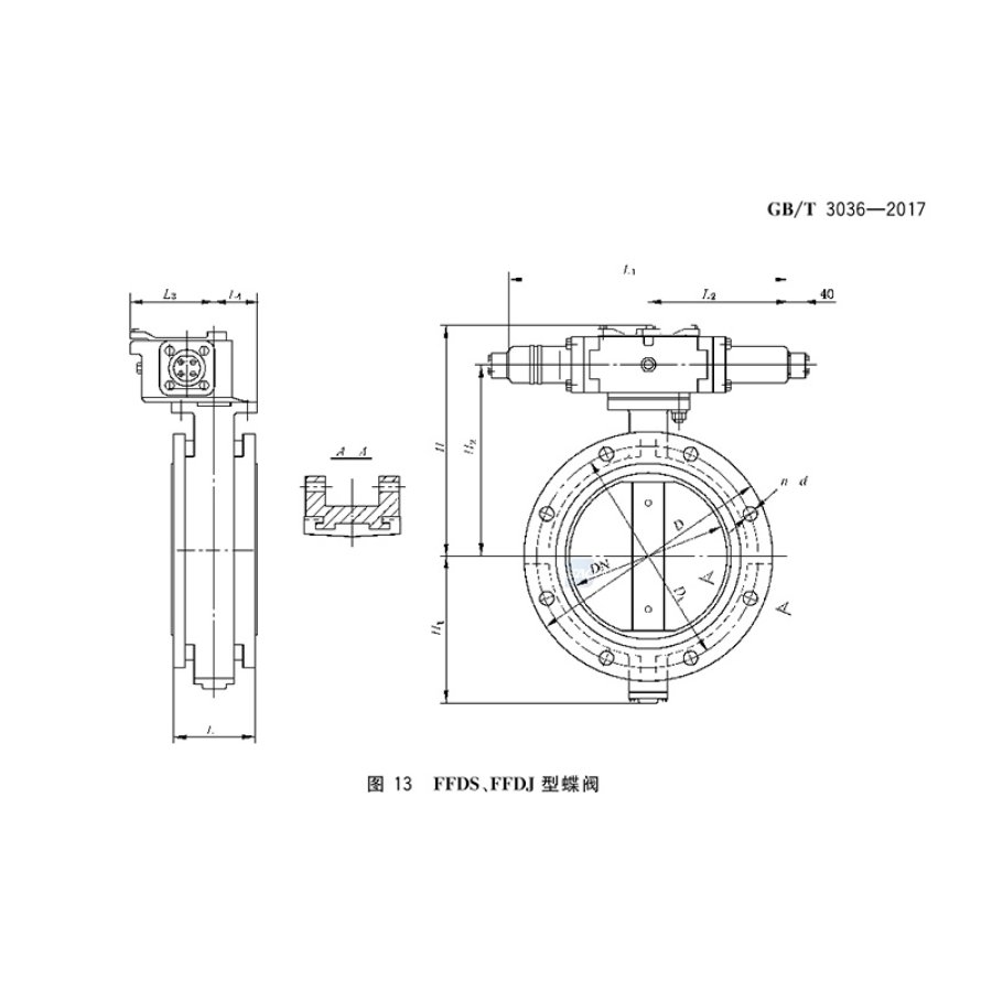
FFDJ型蝶阀基本尺寸:
| Nominal pressure PN/ | Nominal diameter DN/ mm | Dimensions | Flange size | weight kg | ||||||||||||||||
| ≈H | ≈H1 | H2 | L1 | L2 | L3 | L4 | L | D | D1 | n | d | QT | G | W | ||||||
| 5K | 125 | 280 | 152 | 214 | 390 | 195 | 93 | 50 | 100 | 235 | 200 | 8 | 19 | 31.5 | 34.1 | 36.5 | ||||
| 150 | 330 | 172 | 255 | 456 | 228 | 108 | 60 | 265 | 230 | 45.6 | 50.3 | 55.2 | ||||||||
| 200 | 355 | 197 | 280 | 320 | 280 | 23 | 51.4 | 56.4 | 60.4 | |||||||||||
| 250 | 415 | 233 | 332 | 576 | 288 | 136 | 73 | 110 | 385 | 345 | 12 | 77.7 | 83.9 | 91.1 | ||||||
| 300 | 440 | 258 | 357 | 430 | 390 | 88.8 | 97.2 | 106.0 | ||||||||||||
| 350 | 481 | 284 | 384 | 660 | 330 | 162 | 78 | 120 | 480 | 435 | 25 | 127.0 | 138.0 | 151.0 | ||||||
| 400 | 541 | 314 | 436 | 700 | 350 | 173 | 88 | 130 | 540 | 495 | 16 | 162.0 | 177.0 | 195.0 | ||||||
| 450 | 586 | 344 | 472 | 768 | 384 | 192 | 93 | 150 | 605 | 555 | 193.0 | 211.0 | 232.0 | |||||||
| 500 | 637 | 382 | 515 | 816 | 408 | 202 | 98 | 160 | 655 | 605 | 20 | 256.0 | 281.0 | 309.0 | ||||||
| 600 | 739 | 444 | 617 | 816 | 408 | 202 | 98 | 170 | 770 | 715 | 27 | 347.0 | 381.0 | 418.0 | ||||||
| 700 | 810 | 501 | 675 | 984 | 492 | 235 | 135 | 180 | 875 | 820 | 24 | 541.0 | 594.0 | 652.0 | ||||||
| 800 | 905 | 563 | 755 | 1104 | 552 | 269 | 155 | 200 | 995 | 930 | 33 | 658.0 | 723.0 | 795.0 | ||||||
| 10K | 125 | 280 | 152 | 214 | 390 | 195 | 93 | 50 | 100 | 250 | 210 | 8 | 23 | 32.6 | 35.5 | 38.9 | ||||
| 150 | 330 | 172 | 255 | 456 | 228 | 108 | 60 | 280 | 240 | 47.8 | 52.1 | 57.1 | ||||||||
| 200 | 355 | 197 | 280 | 330 | 290 | 12 | 53.5 | 58.9 | 63.5 | |||||||||||
| 250 | 415 | 233 | 332 | 576 | 288 | 136 | 73 | 110 | 400 | 355 | 25 | 80.7 | 87.2 | 95.5 | ||||||
| 300 | 440 | 258 | 357 | 445 | 400 | 16 | 92.8 | 101.0 | 111.0 | |||||||||||
| 350 | 481 | 284 | 384 | 660 | 330 | 162 | 78 | 120 | 490 | 445 | 132.0 | 144.0 | 158.0 | |||||||
| 400 | 541 | 314 | 436 | 700 | 350 | 173 | 88 | 130 | 560 | 510 | 27 | 169.0 | 185.0 | 203.0 | ||||||
| 450 | 586 | 344 | 472 | 768 | 384 | 192 | 93 | 150 | 620 | 565 | 20 | 201.0 | 220.0 | 242.0 | ||||||
| 500 | 637 | 382 | 515 | 816 | 408 | 202 | 98 | 160 | 675 | 620 | 267.0 | 293.0 | 322.0 | |||||||
| 600 | 739 | 444 | 617 | 816 | 408 | 202 | 98 | 170 | 795 | 730 | 24 | 33 | 362.0 | 397.0 | 436.0 | |||||
| 700 | 810 | 501 | 675 | 984 | 492 | 235 | 135 | 180 | 905 | 840 | 564.0 | 619.0 | 680.0 | |||||||
| 800 | 905 | 563 | 755 | 1104 | 552 | 269 | 155 | 200 | 1020 | 950 | 28 | 686.0 | 753.0 | 828.0 | ||||||
