产品中心
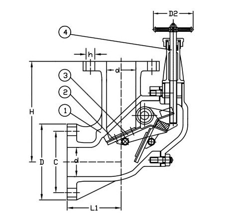
船用铸钢角式防浪阀 JIS F3060R 5K:
![]()
设计标准:JIS F3060-1996
测试标准:JIS 7400-1996
法兰尺寸符合 JIS B2220 - 5K
主要材料:
1-阀体:铸钢 (SC480)
2-阀座:橡胶 (NBR)
3-阀瓣:青铜 (BC6)
4-阀杆:不锈钢 (SUS403)
主要尺寸表 (mm):
DN | L1 | H | D | C | No. | h | t | D2 |
50 | 90 | 170 | 130 | 105 | 4 | 15 | 16 | 100 |
65 | 110 | 200 | 155 | 130 | 4 | 15 | 16 | 100 |
80 | 120 | 220 | 180 | 145 | 4 | 19 | 18 | 125 |
100 | 130 | 250 | 200 | 165 | 8 | 19 | 20 | 125 |
125 | 150 | 270 | 235 | 200 | 8 | 19 | 20 | 125 |
150 | 170 | 310 | 265 | 230 | 8 | 19 | 22 | 125 |
200 | 190 | 400 | 320 | 280 | 8 | 23 | 24 | 125 |
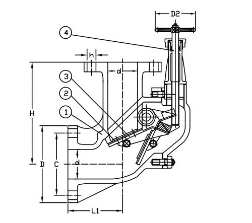
船用铸钢角式防浪阀 JIS F3060R 10K:
![]()
设计标准:JIS F3060-1996
测试标准:JIS 7400-1996
法兰尺寸符合 JIS B2220 - 10K
主要材料:
1-阀体:铸钢 (SC480)
2-阀座:橡胶 (NBR)
3-阀瓣:青铜 (BC6)
4-阀杆:不锈钢 (SUS403)
主要尺寸表 (mm):
DN | L1 | H | D | C | No. | h | t | D2 |
50 | 90 | 170 | 155 | 120 | 4 | 19 | 14 | 100 |
65 | 110 | 200 | 175 | 140 | 4 | 19 | 14 | 100 |
80 | 120 | 220 | 185 | 150 | 8 | 19 | 14 | 125 |
100 | 130 | 250 | 210 | 175 | 8 | 19 | 16 | 125 |
125 | 150 | 270 | 250 | 210 | 8 | 19 | 16 | 125 |
150 | 170 | 310 | 280 | 240 | 8 | 23 | 18 | 125 |
200 | 190 | 400 | 330 | 290 | 12 | 23 | 22 | 125 |
