产品中心
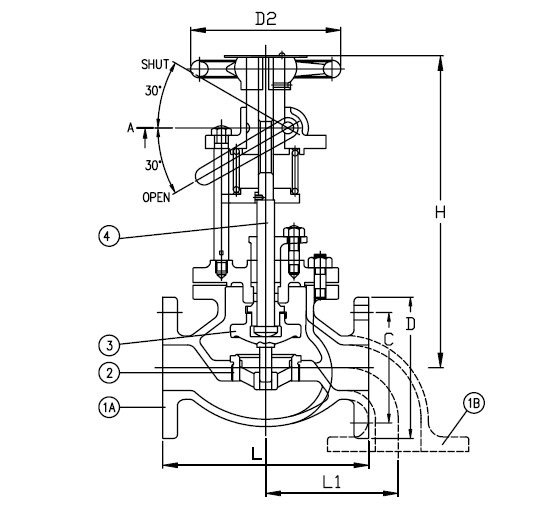
船用青铜气动紧急切断阀 JIS F7399 5K:
![]()
船用紧急切断阀用于紧急切断燃油管线。可由杠杆或气缸控制。远程控制由气缸推动。
操作类型:手动(杠杆)或气动(气缸)
设计标准:JIS F7399-1996
测试标准:JIS 7400-1996
液压试验压力:阀体-0.7Mpa,阀座-0.2Mpa,快速关闭密封-0.1Mpa
法兰尺寸符合 JIS B2220 - 5K
主要材质:
阀体:青铜或黄铜
阀盖:青铜或黄铜
阀座:青铜或黄铜
阀瓣:青铜或黄铜
阀杆:黄铜 (C3771BD)
气缸:黄铜
操作轴:SUS403
操作杆:SUS403
手轮:FC200(铸铁)
Gasket: non-asbestos
主要尺寸表(毫米):
DN | d | L | D | C | Bolt Hole NO. | Bolt Hole Diameter | Flange thickness | H | D2 |
5K15 | 15 | 100 | 80 | 60 | 4 | 12 | 10 | 265 | 120 |
5K20 | 20 | 110 | 85 | 65 | 4 | 12 | 10 | 265 | 120 |
5K25 | 25 | 120 | 95 | 75 | 4 | 12 | 10 | 265 | 120 |
5K40 | 40 | 160 | 120 | 95 | 4 | 15 | 12 | 310 | 140 |
5K50 | 50 | 210 | 130 | 105 | 4 | 15 | 14 | 335 | 160 |
5K65 | 65 | 250 | 155 | 130 | 4 | 15 | 14 | 395 | 180 |
5K80 | 80 | 280 | 180 | 145 | 4 | 19 | 18 | 420 | 180 |
10K15 | 15 | 110 | 95 | 70 | 4 | 15 | 12 | 265 | 120 |
10K20 | 20 | 120 | 100 | 75 | 4 | 15 | 14 | 265 | 120 |
10K25 | 25 | 130 | 125 | 90 | 4 | 19 | 14 | 265 | 120 |
10K40 | 40 | 180 | 140 | 105 | 4 | 19 | 16 | 310 | 140 |
10K50 | 50 | 220 | 155 | 120 | 4 | 19 | 16 | 335 | 160 |
10K65 | 65 | 270 | 175 | 140 | 4 | 19 | 18 | 395 | 180 |
10K80 | 80 | 300 | 185 | 150 | 8 | 19 | 18 | 420 | 180 |
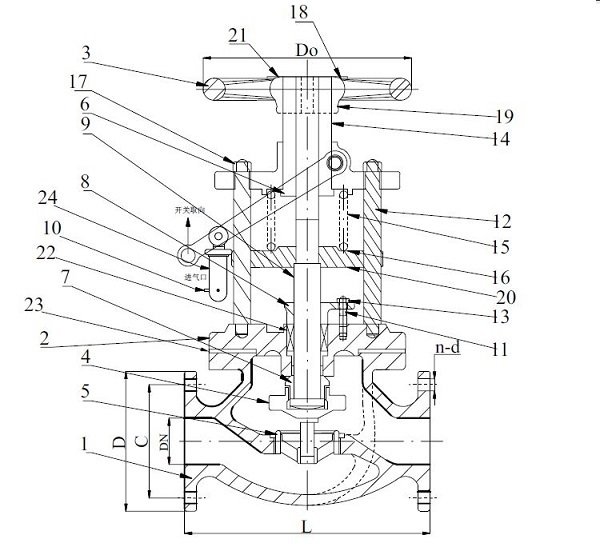
船用青铜紧急关闭阀 JIS F7399 5K:
![]()
船用紧急切断阀又称船用快速关闭阀,用于紧急关闭燃油/润滑油管线。可由杠杆或气缸控制。材质可以是铸钢、青铜、球墨铸铁。
操作类型:手动(杠杆)或气动
设计标准:JIS F7399-1996
测试标准:JIS 7400-1996
液压试验压力:阀体-0.7Mpa,阀座-0.2Mpa,快速关闭密封-0.1Mpa
法兰尺寸符合 JIS B2220 - 5K
主要材质:
阀体:青铜或黄铜
阀盖:青铜或黄铜
阀座:青铜或黄铜
阀瓣:青铜或黄铜
阀杆:黄铜 (C3771BD)
操作轴:SUS403
操作杆:SUS403
手轮:FC200(铸铁)
垫圈:非石棉
主要尺寸表(mm):
DN | d | L | D | C | Bolt Hole NO. | Bolt Hole Diameter | Flange thickness | H | D2 |
5K15 | 15 | 100 | 80 | 60 | 4 | 12 | 10 | 265 | 120 |
5K20 | 20 | 110 | 85 | 65 | 4 | 12 | 10 | 265 | 120 |
5K25 | 25 | 120 | 95 | 75 | 4 | 12 | 10 | 265 | 120 |
5K40 | 40 | 160 | 120 | 95 | 4 | 15 | 12 | 310 | 140 |
5K50 | 50 | 210 | 130 | 105 | 4 | 15 | 14 | 335 | 160 |
5K65 | 65 | 250 | 155 | 130 | 4 | 15 | 14 | 395 | 180 |
5K80 | 80 | 280 | 180 | 145 | 4 | 19 | 18 | 420 | 180 |
10K15 | 15 | 110 | 95 | 70 | 4 | 15 | 12 | 265 | 120 |
10K20 | 20 | 120 | 100 | 75 | 4 | 15 | 14 | 265 | 120 |
10K25 | 25 | 130 | 125 | 90 | 4 | 19 | 14 | 265 | 120 |
10K40 | 40 | 180 | 140 | 105 | 4 | 19 | 16 | 310 | 140 |
10K50 | 50 | 220 | 155 | 120 | 4 | 19 | 16 | 335 | 160 |
10K65 | 65 | 270 | 175 | 140 | 4 | 19 | 18 | 395 | 180 |
10K80 | 80 | 300 | 185 | 150 | 8 | 19 | 18 | 420 | 180 |
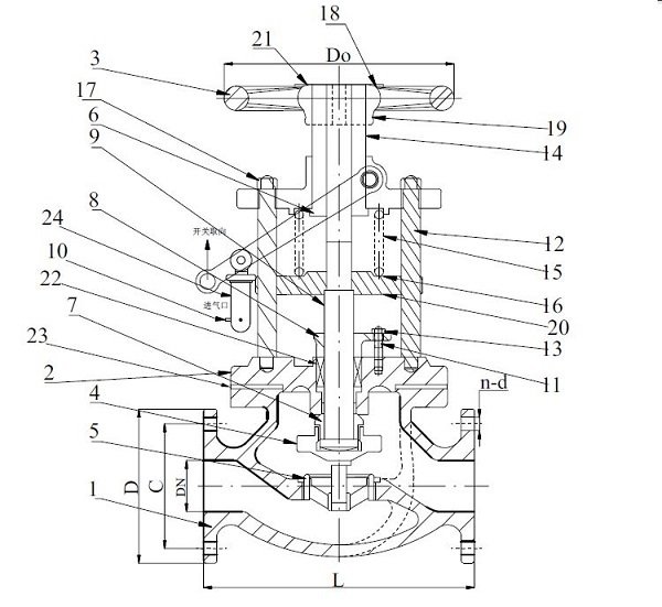
Marine Bronze Pneumatic Quick Closing Valve JIS F7399 10K:
![]()
Marine Bronze Pneumatic Emergency Quick Closing Valve JIS F7399 is used to shut off the fuel oil/lubricatoin oil pipeline in emergency with the air cylinder. It is controlled remotedy by the air cylinder.
Design Standard: JIS F7399-1996
Test Standard: JIS 7400-1996
Hydraulic Test Pressure:Body- 0.7Mpa, Seat-0.2Mpa,Seal for quick closing-0.1Mpa
Flange size as per JIS B2220 - 10K
Main Material:
Body: Bronze or Brass
Bonnet: Bronze or Brass
Seat: Bronze or Brass
Disc: Bronze or Brass
Stem: Brass (C3771BD)
Air Cylinder: Brass
Operation Spindle: SUS403
Operation Lever: SUS403
Handwheel: FC200 (Cast iron)
Gasket: non-asbestos
Main Size List(mm):
DN | d | L | D | C | Bolt Hole NO. | Bolt Hole Diameter | Flange thickness | H | D2 |
10K15 | 15 | 110 | 95 | 70 | 4 | 15 | 12 | 265 | 120 |
10K20 | 20 | 120 | 100 | 75 | 4 | 15 | 14 | 265 | 120 |
10K25 | 25 | 130 | 125 | 90 | 4 | 19 | 14 | 265 | 120 |
10K40 | 40 | 180 | 140 | 105 | 4 | 19 | 16 | 310 | 140 |
10K50 | 50 | 220 | 155 | 120 | 4 | 19 | 16 | 335 | 160 |
10K65 | 65 | 270 | 175 | 140 | 4 | 19 | 18 | 395 | 180 |
10K80 | 80 | 300 | 185 | 150 | 8 | 19 | 18 | 420 | 180 |
